中国·永利(88858cc·VIP认证)官网 - GREEN LIFE
首页
关于88858cc永利
88858cc永利介绍
愿景展望
企业文化
关联企业
公司视频
88858cc永利产品
海藻酸及其盐类
海藻酸丙二醇酯
海洋健康食品
海藻肥
88858cc永利动态
公司新闻
信息公示
审核认证
公司荣誉
公司历史
88858cc永利责任
质量控制
安全生产
绿色环保
社会责任
人力资源
工作在88858cc永利
成长在88858cc永利
招聘信息
联系我们
Language
中文
English
한국어
日本語
信息公示
SHANDONG JIEJING
公司新闻
信息公示
审核认证
公司荣誉
公司历史
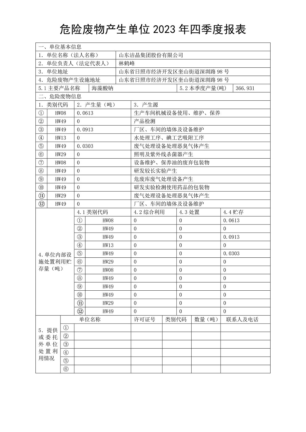
2023年危险废物产生及处置一览表
返回上一页